Looking for a Rotex or Fenner equivalent? Use our Interchange Finder below.
UCP214 Pillow Block
£100.84
| Parameter | Value | Notes |
|---|---|---|
| SKU | UCP214 | Aroflex part number |
| Weight | 10.6 kg | |
| Dimensions | 26.6 × 7.2 × 15.6 cm | Overall envelope |
| Bore Tolerance | H7 | Precision transition fit |
| Material | Steel / Friction disc | Standard construction |
| Certification | ISO 9001:2015 | Quality assured |
Competitor Interchange Finder
Enter a competitor part number to find live pricing and the AROFLEX equivalent.
Results will appear here…
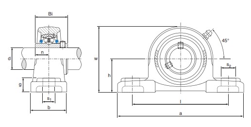
UCP214 Pillow Block is a bearing unit which is and designed for radial loads acting in the direction of the support surface (as opposed to 2 and 4 Bolt Flange Units). They are also known as Plumber Block Bearings. These units have the shaft running parallel to the mounting surface.
The components of a standard Pillow Block include;
- Cast Iron Housing
- Grease Nipple
- Slinger
- Set Screws
- Wide Inner Ring
- Steel Balls
- Steel Cage
- Outer Ring
For a step-by-step guide to measuring a bearing click here. If you need any expert advice on which bearing to select or any other queries then please donβt hesitate to contact us.
Related Products
Other items in this range you may be interested in



